»óǰÁ¤º¸

  • ºê·£µå À̸§: TREEYE
  • Áõ¸í¼­: ¼¼·ý
  • ¿ø»êÁö: Áß±¹
  • ·»Áî À¯Çü: ¼öµ¿
  • ÃÊÁ¡ ±æÀÌ: 8.0 ¹Ì¸®¸ÞÅÍ
  • °í³óµµ È­ÇÐ ¹°Áú: ¾øÀ½
  • ¸ðµ¨ ¹øÈ£: M12-8.5MM-8MP-1N1.8
  • Resolution: 8.0Megapixel
  • Image format: 1/1.8"
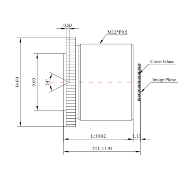
  • Mount: M12*P0.5


4K HD 8MP 8.5mm M12 ·»Áî 1/1.8" IMX178/334 »ê¾÷¿ë ½Äº° Áö¹® ÀÎ½Ä ½ºÄ³´× ÃøÁ¤ °è·® ·»Áî


- ÃÊÁ¡ °Å¸®: 8.5mm

- ÇØ»óµµ: 8.0¸Þ°¡Çȼ¿

- À̹ÌÁö Çü½Ä: 1/1.8¡È

- Á¶¸®°³: F3.0

-TTL: 11.95mm

- È­°¢(1/1.8"): D44.1°×H33.2(×H33.2)°×V54.3¿ë°

- M.O.D : 0.1m

- TV ¿Ö°î:<-1.15% 

- IR ÇÊÅÍ: 650nm IR ÇÊÅÍ ¿É¼Ç

- ·»Áî ±¸Á¶: 5G

- ¸¶¿îÆ®: M12*P0.5

- Å©±â : ¥Õ14×H10.8mm

- ÀÛµ¿ ¿Âµµ: -20C + 85C